水面蒸发传感器
- 产品介绍
水面蒸发量传感器
产品使用手册
1 | 概述 |
水面蒸发量传感器可以准确的测量单位面积水面蒸发量量的仪器。
2 | 原理 |
采用高精度的称重原理测得蒸发皿内液体重量,再计算出液面高度。因此在多种环境下均可使用,如液体或结冰均可测量,解决了使用超声波原理测量液面高度时出现的弊病(1、结冰时测量不准,2、没有水时容易损坏传感器,3、精度低),可与自动ag九游会网点或专业蒸发记录仪配合使用。
3 | 产品特点 |
1、测量精度高
2、性能稳定,线性度好
3、安装方便,操作简单
4、不锈钢材质,不起锈,保证传感器使用寿命
5、结构设计合理,外观质量佳
4 | 适用范围 |
用于测量液面蒸发量的仪器,适用于气象、植物及种子培养单位、农林业研究机构等部门。
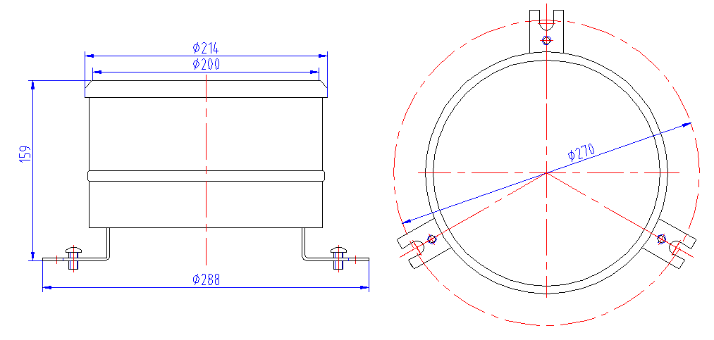
5 | 外形规格 |
6 | 技术参数 |
桶口径:200mm(等效蒸发面200mm)
精 度:±0.1mm
测量范围:0~75mm
供电方式: DC12~24V
环境温度:-30℃~80℃
信号输出: 0~2V DC
产品重量:1.2kg
7 | 安装方法 |
设置在露天空旷平坦地方,并能终日受到阳光照射,调好水平,底座用水泥固定好,观测前注入75mm清水即可测量,如容器内有雨水降入时,应在观测记录时减去降雨量得出该次实际蒸发量。
8 | 接线方式 |
9 | 数据计算方法 |
输出的电压信号表示液位高度(mm),对应关系为线性,即使用2V的电压范围表示0~80mm的液位变化。就是说每1mm的液位下降,对应电压下降0.025V。数据的获取采用差量法,即测量一定间隔的两个时间点的数据变化并相减。
例如,某天正午12:00测得电压1.247V,之后的13:00测得电压1.213V,电压变化量
1.247V - 1.213V = 0.034V
算得液位下降
0.034*40 = 1.36mm
即该时段的水面蒸发量量为1.36mm。
由于零部件切削装配差异性和安装应力的影响,每台传感器出厂时均有一个基底误差电压V0,正确安装传感器并供电后(桶内未注水,即液面高度为0mm),传感器输出的电压信号即为该V0。计算绝对液面高度时用采集的电压减去该V0值即可。例如测得基底误差V0=0.382V,某时刻测得电压1.825V,则此时液面高度为
(80mm/2V)*(1.825V – 0.382V) = 57.72mm
但由前所述应使用差量法计算,因此该基底误差可不予考虑。
10 | 产品保修 |
本产品保修期为一年。从发货之日算起,十二个月内,因传感器质量问题(非人为损坏)而引起的故障,本公司负责免费维修或更换,超过保修期后只收成本费。
数字信号 | RS485 | Modbus-RTU协议, 波特率:9600;校验位:无;数据位:8;停止位:1 |
一、将地址1传感器改地址为2
原地址 | 功能码 | 数据地址高 | 数据地址低 | 数据高 | 数据低 | CRC16低 | CRC16高 |
01 | 06 | 01 | 00 | 00 | 02 | 08 | 0B |
传感器接收正确,则原样返回。
二、如果忘记传感器的地址,可以使用广播命令FE来改成新的地址(例如新地址为03)
广播命令 | 功能码 | 数据地址高 | 数据地址低 | 数据高 | 数据低 | CRC16低 | CRC16高 |
FE | 06 | 00 | 00 | 00 | 03 | DD | C4 |
传感器接收正确,则原样返回。
同样也可以使用广播地址FE来查询地址,主机→从机
广播地址 | 功能码 | 数据长度 | 预留1 | 预留2 | 预留3 | 预留4 | CRC16低 | CRC16高 |
FE | 03 | 04 | 00 | 00 | 00 | 00 | F5 | 3C |
若传感器接收正确,返回以下数据,从机→主机
广播地址 | 功能码 | 数据长度 | 地址 | 预留1 | 预留2 | 预留3 | CRC16低 | CRC16高 |
FE | 03 | 04 | 02 | 00 | 0A | 00 | F2 | 24 |
备注:使用广播地址FE时主机在同一时间只能接一个从机。
三、数据操作
查询传感器(地址为2)的数据(液面高度),主机→从机
地址 | 功能码 | 起始寄存器地址高 | 起始寄存器地址低 | 寄存器长度高 | 寄存器长度低 | CRC16低 | CRC16高 |
01 | 03 | 00 | 00 | 00 | 01 | 84 | 0A |
若传感器接收正确,返回以下数据,从机→主机
地址 | 功能码 | 数据长度 | 寄存器0数据高 | 寄存器0数据低 | CRC16低 | CRC16高 |
01 | 03 | 02 | 02 | BD | 79 | 55 |
降雨量,单位mm | ||||||
数据表示方法:将数据换算成十进制后,小数点左移2位。
以上数据表示,当前液面高度为7.01 mm。
一段时间之后再次采集液面高度数据,用当前数据减去之后采集到的数据,即为蒸发量
四、空桶清零
快递运输过程中可能会导致传感器零点偏移,可以通过清零指令消除偏移的影响(类似电子秤清零、去皮功能)。
地址 | 功能码 | 数据长度 | 指令码0 | 指令码1 | CRC16低 | CRC16高 |
01 | 30 | 04 | 00 00 | 00 08 | fe | 36 |


